티스토리 뷰

철근콘크리트구조의 내진설계 특징들
내진설계가 요구되는 철근콘크리트 구조가 갖는 몇 가지 특징이 있습니다.
1. 기준에서 요구하는 연성상세를 준수하여야 하고, 특히 띠철근(후프나 스터럽) 의 간격은 기준의 조건을 따를 것.
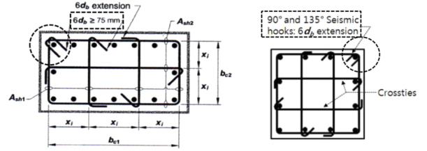
2. 띠철근에 135˚ 내진갈고리를 적용할 것.
3. 중간연성도 이상 요구되는 지진저항시스템에서는 내진철근을 적용할 것.
4. 필로티를 갖는 건물에서 하중전이보가 배치되는 경우에 특별지진하중을 적용하여 설계할 것.
이러한 특징들을 반영하여 현행 기준에 만족하는 건실한 내진 구조물로 완성되는 조건은 설계자의 전문성 뿐만 아니라, 시공자의 경험과 각별한 노력이 필요합니다.
까다롭다는 이유가 부실시공의 핑계가 되어서는 안될 것

배근시 내진설계를 적용함에 있어서 시공자가 가장 번거롭고 부담으로 여기는 것 중 하나가 '띠철근(후프나 스터럽)에 135˚ 내진갈고리를 적용'하는 것인데, D10이나 D13으로 비교적 직경이 작은 철근은 갈고리 구부림 작업시 90˚ 갈고리에 비하여 1.5배 에너지를 더 들여 가공하면 되므로 크게 문제될 것은 없으나, SD500 또는 SD600 등 고강도 철근이라면 구부리는 작업도 쉽지 않고 또 고속 기계절곡시 외곡면부에 소성균열이 발생할 가능성이 높습니다. 이렇게 135˚ 갈고리로 절곡하여 가공한 띠철근은 주근을 감싸 설치할 때 많은 고민과 노력이 필요합니다.
굵은 주근을 힘겹게 밀어내면서 내진갈고리를 장착하거나, 주근 배근 전에 미리 띠철근을 걸어두고 주근들을 벌리면서 정해진 간격으로 긴결시켜야 합니다.

설계자나 감리자는 이를 시공자가 책임지고 어떻게든 알아서 제대로 만들어내야 하는 것으로 넘겨 버리지만, 시공자의 고충은 자칫 '대충대충할 수밖에 없는'이라는 정당성을 갖다 붙이고 싶은 잘못된 욕구를 높여줍니다. 즉, 대충 부실하게 배근될 우려가 높다는 것입니다. 실제 구조감리에서 내진갈고리 부분에 대해서 여러 문제점이 발견되는데, 전문적인 구조감리 건축구조기술사로부터 지적받아 재시공이 뒤따르는 대표적인 사례는 아래와 같습니다.
1. 135˚ 구부림 각도 부족.
2. 구부림 최소 내경 미준수.
3. 갈고리 직선부 길이(철근직경의 6배 또는 75mm 중 큰 값) 미달.
4. 특히 기둥 띠철근 후프에서 한쪽 갈고리는 135˚, 다른 한쪽 갈고리는 90˚로 임의 시공.
135˚ 내진갈고리의 효과
지진시 건물이 붕괴되는 대표적인 매커니즘은 '과도한 하중에 의한 부재 변형 → 부재 표면의 피복 콘크리트 탈락 → 띠철근에 인장력 작용 → 90˚ 갈고리 벌어짐 → 띠철근 풀림 → 띠철근에 구속받는 주근 좌굴파괴 → 심부콘크리트 파괴 →부재 파괴 →건물 붕괴'입니다. 지진이 아니라 건물 화재시 피복 콘크리트가 폭렬현상으로 터져서 떨어져 나갈 정도로 큰 화해가 발생했을 때에도 마찬가지로 위험합니다. 띠철근을 구속하는 피복 콘크리트가 떨어져 나가면 90˚ 갈고리는 외측으로 쉽게 벌어지면서 띠철근이 풀리게 됩니다.

135˚ 갈고리를 '내진갈고리'로 정의하는 이유는 이 갈고리의 꼬리부(굽힘부 이후의 직선부로서 철근직경(D25 이하 기준)의 6배 또는 75mm 중 큰 값 이상 길이를 갖는 구간)가 심부 콘크리트에 정착되도록 하여 지진이 발생하더라도 띠철근이 쉽게 풀리지 않도록 하는 특징을 갖기 때문입니다.
| 135˚ 내진갈고리 파괴 매커니즘 | 90˚ 갈고리 파괴 매커니즘 |
| ① 과도한 하중에 의한 부재 변형 ↓ ② 피복 콘크리트 탈락 ↓ ③ 띠철근에 인장력 작용 ↓ ④ 135˚ 갈고리 굽힘부 내측에 지압응력이 발생하여 저항 ↓ ⑤ 135˚ 갈고리 꼬리부 외측 심부 콘크리트에 압축응력이 발생하여 저항 ↓ ⑥ 135˚ 갈고리 꼬리부 주변 심부 콘크리트에 부착응력이 발생하여 저항 ↓ ⑦ 135˚ 갈고리 뽑힘 ↓ ⑧ 띠철근 풀림 ↓ ⑨ 띠철근에 구속받는 주근 좌굴파괴 ↓ ⑩ 심부콘크리트 파괴 ↓ ⑪ 부재 파괴 ↓ ⑫ 건물 붕괴 |
① 과도한 하중에 의한 부재 변형 ↓ ② 피복 콘크리트 탈락 ↓ ③ 띠철근에 인장력 작용 ↓ ④ 90˚ 갈고리 벌어짐 ↓ ⑤ 띠철근 풀림 ↓ ⑥ 띠철근에 구속받는 주근 좌굴파괴 ↓ ⑦ 심부콘크리트 파괴 ↓ ⑧ 부재 파괴 ↓ ⑨ 건물 붕괴 |
135˚ 내진갈고리가 풀리려면 심부에 정착된 내진갈고리의 꼬리부가 뽑히거나 프라이아웃으로 심부 콘크리트 일부가 파괴될 때만 가능하며, 상기 파괴 매커니즘 비교 예시표에서와 같이 90˚ 갈고리에서는 기대할 수 없는 지압·압축부착응력 등의 추가 저항력이 발휘되어 90˚ 갈고리로 설치된 부재보다 상당히 큰 지진에도 부재 파괴를 방지할 수 있습니다.
135˚ 내진갈고리를 대신할 수 있는 방법, 인증받은 대체기술 사용
135˚ 내진갈고리의 장점은 90˚ 갈고리에서 기대할 수 없는 여러 응력들을 심부 콘크리트로부터 부여받아 부재가 큰 지진저항력을 발휘함에 있으나, 단점은 시공성이 상당히 불리하다는 것입니다.
135˚ 내진갈고리의 장점을 유지하고 단점을 극복할 수 있는 것은 없을까?
최근 여러 현장에서 새롭게 널리 적용되고 있는 대표적인 대체기술로 '원터치-RC클립'이 있습니다.
이 대체기술은 「한국건축구조기술사회」와 「한국콘크리트학회」로부터 현장에서 사용 가능한 기술로 인증 받았습니다.

CH-RCC(CH건설기술의 원터치-RC클립)의 구조적 장점
2020년에 개발된 CH건설기술의 '원터치-RC클립'에 대한 구조실험 결과는 「한국건설관리학회 논문집 제22권 제6호」, 「한국콘크리트학회 논문집 제33권 제5호」, 「한국건축구조기술사회지 KSEA 제26권 제01호」, 「한국공간구조학회지 제22권 제4호 통권90호」 등에 등재되어 있으며, 주요 내용은 아래와 같습니다.



기준을 충족하는 양단 135˚ 표준갈고리(이하 내진갈고리)로 설치된 실험체 "CH"와, 한쪽 단부는 내진갈고리로 다은 한쪽 단부는 90˚ 갈고리로 설치하여 기준에 부적합한 실험체 "H1"과, 이 부적합 실험체 90˚ 갈고리 부분에 RCC를 설치한 대체공법 실험체 "NC1"을 비교했을 때, "CH"를 기준으로 "H1"은 당연히 작은 하중에 파괴되었고, "NC1"은 "CH"과 대등하거나 보다 우수한 구속효과 성능을 가집니다.
CH-RCC(CH건설기술의 원터치-RC클립)의 경제적 장점




내진갈고리(135˚ 표준갈고리) 상세를 적용한 기둥에 비해서 CH-RCC로 결속하는 경우 띠철근 직경에 관계없이 17~38%의 비용절감효과가 있는 것으로 평가되고 있습니다.
기술인증
위 CH-RCC는 특허(제10-2148235호)로 등록된 기술이고,
「한국건축구조기술사회」로부터 '띠철근 갈고리 135˚ 대체용 원터치 클립'으로 인증(KSEA-20-10-30) 받은 기술이며,
「한국콘크리트학회」로부터 '90˚ 표준갈고리 및 풀림방지 RC클립을 적용한 횡방향 철근 135˚ 표준갈고리 대체 기술'로서 인증(KCIC 23-001)을 받았습니다.
정리의견
종합적으로 정리하면 CH-RCC는 기준에서 정하는 방식과 비교했을 때 구조적 성능면에서 대등하거나 보다 우수한 구속효과 성능을 가지며, 특히 시공 편이성이 우수하여 경제적으로 17~38% 수준으로 노무비가 절감되는 유리한 효과가 있습니다.
VE 측면에서도 '비용절감형 VE' 또는 '기능혁신형 VE'를 기대할 수 있습니다.
이 기술을 소개하는 글을 기획한 이유는 현장에서 수월한 시공성을 보장하면서 구조적 안전성에 부족함이 없는 유익한 기술로서 현장에 큰 도움이 될 것으로 기대되기 때문입니다. 시공 편이성이 높아지면 부실 시공의 우려가 낮아지고, 결국 구조적 품질이 향상되어 사용자는 안전한 건물을 사용할 권리를 크게 보장받을 수 있습니다.
이 글은 광고성 대가나 협찬을 받지 않고 작성하였습니다.
이 기술을 보유한 'CH건설기술'에 기술소개에 대한 동의를 요청하였고, 허락을 받아 작성하였습니다.
보다 자세한 정보나 문의사항은 'CH건설기술' 홈페이지(http://chrcc.kr)를 통해 확인하시기 바랍니다.
. 끝.
VE (Value Engineering, 가치공학)건설 규모가 큰 경우에는 구조에 대해서도 VE(Value Engineering, 가치공학)을 적용하여 원안 구조설계에 대하여 공사비 절감을 꾀하기도 합니다.VE의 정의는 건설공사의 예산절감, 기능향상, 구조안전, 품질향상으로 건물의 가치를 향상시키는 가치공학이며, 비용 대비 성능에 따라 크게 4가지 유형으로 분류합니다. 1. 비용절감형 VE [V=F(→)/C(↓)] : 기능은 유지하면서 불필요·중복 ·과잉요소를 제거하여 비용을 절감하는 가치향상유형. 2. 기능향상형 VE [V=F(↑)/C(→)] : 비용은 유지하면서 더 나은 재료나 공법으로 변경하여 기능을 향상시키는 가치향상유형. 3. 기능혁신형 VE [V=F(↑)/C(↓)] : 비용을 절감하면서도 기능을 향상시키는 가장 이상적이고 어려운 가치향상유형. 4. 기능강조형 VE [V=F(↑↑)/C(↑)] : 일부 비용을 더 들이면서 월등하게 우수한 기능을 채택하는 가치향상유형. 건물에 우수한 구조적 품질을 추구하는 경우라면 '기능강조형 VE' 유형을 채택하는 경우도 있지만, 일반적으로는 철근 수량과 부재 크기를 꼭 필요한 최소 적정 수준으로 재설계하는 최적화 설계기법을 통하여 '비용절감형 VE' 유형으로 진행하는 통상적입니다. 이는 VE용역 난도가 비교적 높지 않고, 절감시킨 금액을 기준으로 약정한 비율로 정량적인 대가를 산정하고 정산하는 것이 투명하다고 여기기 때문이며, 특히 신공법·신기술에 대한 엔지니어의 경험·정보·이해 부족이나 발주자의 비용절감 제일주의가 크게 작용하기 때문인 것으로 사료됩니다. . |
'구조상식' 카테고리의 다른 글
| 아름다운 구조이야기 8 - 초신성과 박테리아, 강재의 근원 (2) | 2023.12.22 |
|---|---|
| 아름다운 구조이야기 7 - 소크라테스의 변명 (0) | 2023.10.09 |
| 보강토옹벽 구조안전확인 (0) | 2023.09.27 |
| 아름다운 구조이야기 6 - 플랑크톤, 콘크리트의 근원 (0) | 2023.09.24 |
| [무료배포책자]시공자 및 감리자를 위한 비구조요소 내진설계안내서 2023년판 (17) | 2023.08.10 |
건물지진규모분석연구서비스(주)
e-mail : bmtars@nate.com
IN KOREA
CALL : 1833-9875
FAX : 0505-300-9875
OUT OF KOREA
CALL : 82-1833-9875
FAX : 82-505-300-9875
- Total
- Today
- Yesterday